Comparer les prix et les sites
Afficher 1
Offre sans lien direct
Dès
51,43 €
Nous avons trouvé le produit chez 1 marchands, dont 0 sont des partenaires du Dénicheur. Cette page contient des liens affiliés pour lesquels nous percevons une rémunération. En savoir plus sur l'affichage des prix et des marchands.
Analyses
Historique des prix
Le graphique montre le prix le plus bas au fil du temps pour la variante (comme la couleur ou la taille) qui a été la moins chère à chaque moment donné. Les frais de livraison et les produits d'occasion ne sont pas inclus. En savoir plus sur l'historique des prix.
Informations produit
Le meilleur prix pour Ultima Visser Fixer Coller DIN 914/ISO 4027 4X30 boîte de 200 STHCPO4X30ZING est actuellement de 51,43 €. leDénicheur compare les promos et les offres de marchands en ligne.
Informations de base
Nom du produit
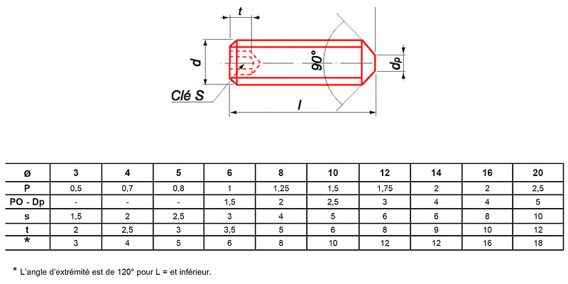
Ultima Visser Fixer Coller DIN 914/ISO 4027 4X30 boîte de 200 STHCPO4X30ZING
Catégorie



















